NKC 110CP0 & NKC Series Constant-Section Thin-Section Bearings – Specifications and Characteristics for Precision Instrument Rotary Applications
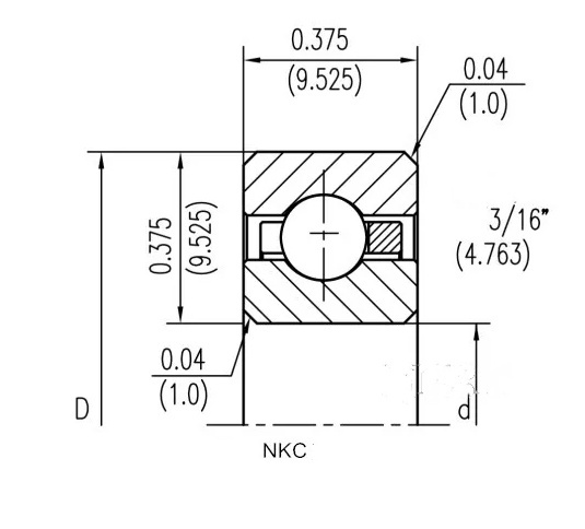
NKC 110CP0 is one of the models in the NKC Series of constant-section thin-section bearings manufactured by Luoyang BOBI Precision Bearing Co., Ltd. This series features a compact structure that delivers high positioning rigidity and repeatability, effectively reducing Abbe error caused by load misalignment. Specific parameters include bore diameter 279.4 mm, outer diameter 298.45 mm, width 9.525 mm (imperial series), and an open deep-groove ball bearing design.
The NKC Series of constant-section thin-section bearings includes more than ten models, covering bore diameters from 4 inches (101.6 mm) up to 20 inches (508 mm). This broad range provides designers with flexible options and multiple choices for their applications.

Luoyang BOBI Precision Bearing Co., Ltd. (registered trademark NERT®, also referred to as “Luoyang Thin-Walled Bearings” or “NERT Bearings”) specializes in the research, development, and production of constant-section thin-section bearings. Our product line encompasses:
-
Imperial/metric constant-section open and sealed thin-section bearings
-
Standard-series precision ball bearings

-
Precision crossed roller bearings
-
Slewing bearings
-
Various custom-designed non-standard bearings and bearing assemblies
Products can be manufactured to accuracy grades P0, P6, P5, and P4 according to customer requirements. The bore diameter range for our thin-section bearings spans from 1 inch (25.4 mm) to 40 inches (1016 mm); for sealed versions, the maximum bore diameter available is 20 inches (508 mm).




